
400-8616-826
N8900是一個提供多功能集合一體的藍牙芯片,完美的集成了MP3、WAV 的硬解碼芯片,支持藍牙5.0協議,FM,錄音等,存儲器支持TF 卡驅動、flash、U盤,支持電腦直接更新存儲器 的內容,支持FAT16、FAT32 文件系統,支持flash、TF卡、U盤。通過簡單的UART串口指令或一線串口指令或者adkey按鍵即可完成播放指定的音樂,以及如何播放音樂等功能,藍牙播放,播放音樂,無線收音,錄音功能,無需繁瑣的底層操作,音質優美,使用方便,穩定可靠是此款產品的最大特點。另外該芯片也是深度定制的產品,專為自定義語音播放領域開發的低成本解決方案,可以根據不同的功能需要選擇對應的型號,是一款精簡版的也是性價比非常高的藍牙MP3芯片。
特征

芯片結構圖

解碼格式

控制模式
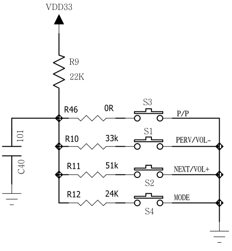
ADKEY控制模式
ADKEY控制模式取代了傳統了矩陣鍵盤的接法,這樣做的好處是充分利用了MCU 越來越強大的AD功能。設計簡約而不簡單,模塊默認配置1 個AD 口,4個按鍵的阻值分配,如果使用在強電磁干擾或者強感性、容性負載的場合,請參考我們的“注意事項”。

ADKEY控制模式原理圖
一線串口控制模式
N8900支持單片機模擬一線串口控制,該控制方式簡單方便,適用于任何單片機。
一線串口MCU只需要一根線就可以控制了,由頭碼和占空比組碼,先發低位,頭碼拉低3ms以上,平時保持高。總共8位。時序占空比約為1:3.時序范圍介于300us:900us到1000us:3000us之間。誤差容許10%。

應用范圍
N8900藍牙芯片可適于各種語音提示的場合,如:血壓計、考勤機、血糖儀、醫療器械、按摩器、足浴盆、門鈴提示器、語音玩具、語音報警器、汽車電子、小家電、念佛機、游戲機、工藝禮品、智能鎖(指紋鎖,密碼鎖,刷卡鎖)、掃碼機等等。
